Циркуляционные насосы Shinhoo INSTANT предназначены для систем рециркуляции горячей воды в частных домах, квартирах и небольших коммерческих объектах. Насосы устанавливаются внутри помещений, подходят для открытых и закрытых контуров и отличаются высокой энергоэффективностью благодаря электродвигателю на постоянных магнитах
Проточная часть выполнена из коррозионностойкой латуни, что защищает от химического воздействия горячей воды и образования ржавчины. Компактные габариты и малая монтажная длина облегчают встраивание в существующие контуры рециркуляции, разъёмная конструкция упрощает сервис
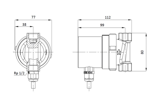
Конструктивные особенности
- Электродвигатель с постоянными магнитами повышенной энергоэффективности
- Разъёмная конструкция: двигатель можно отсоединить от корпуса для обслуживания
- Детали, контактирующие с жидкостью, изолированы от статора герметичной нержавеющей гильзой
- Подшипники ротора смазываются перекачиваемой жидкостью
- Корпус из латуни устойчив к коррозии и воздействию горячей воды
- Класс защиты IP44, класс изоляции H
- Встроенная полная защита от перегрева и короткого замыкания, дополнительная защита не требуется
Основные преимущества и особенности конструкции
- Высокая энергоэффективность и низкое энергопотребление
- Тихая работа за счёт гидродинамического охлаждения и отсутствия вентилятора
- Компактность и малая монтажная длина для установки в стеснённых условиях
- Устойчивость к накипи и коррозии благодаря латунной проточной части
- Простое обслуживание за счёт съёмного двигателя

Одноконтурная схема контура рециркуляции горячей воды

Многоконтурная схема рециркуляции горячей воды
Перекачиваемые жидкости
Насос предназначен для перекачивания чистых, неагрессивных и невзрывоопасных жидкостей без твёрдых включений и волокон
- Питьевая и умягчённая вода
- Бытовая горячая вода с жёсткостью до 14 °dH и температурой до 110 °C
- Охлаждающие жидкости без минеральных масел
- Температура перекачиваемой жидкости от +2 до +110 °C
- Рекомендуемый рабочий диапазон для ГВС 50–60 °C
- Максимальное рабочее давление PN 10 (1,0 МПа)
- Минимальное давление на входе: 0,5 м (0,049 бар) при 75 °C, 5 м (0,5 бар) при 90 °C, 10,8 м (1,08 бар) при 110 °C
- Кинематическая вязкость воды 1 мм²/с при 20 °C
При использовании более вязких сред снижаются гидравлические характеристики, температуру жидкости следует поддерживать выше температуры окружающей среды для исключения конденсата
Область применения Shinhoo INSTANT
Системы рециркуляции горячего водоснабжения
Используются для поддержания постоянной температуры воды в циркуляционном кольце жилых домов, квартир и малых коммерческих объектов
Одноконтурные схемы ГВС
Обеспечивают непрерывную циркуляцию по одному кольцу с быстрым поступлением горячей воды к точке водоразбора
Многоконтурные схемы ГВС
Применяются в системах с несколькими ветвями распределения, поддерживают равномерную температуру по всем участкам сети
Бойлеры косвенного нагрева
Работают в составе узла рециркуляции бойлера, сокращают время ожидания горячей воды и стабилизируют тепловой режим системы
Чтобы подобрать оптимальную модель Shinhoo и рассчитать необходимые параметры, свяжитесь с нашими специалистами — они помогут выбрать насос, максимально соответствующий условиям вашей системы и требованиям эксплуатации
